

>= 10000 Piece(s)
US $0.10
![]() |
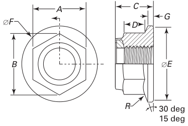
Nylon Inserisci i dadi della flangia esagonale Modello: ASME B18.16.6-2017 Grado: Materiale: ML08 SWRCH35K 10B21 Durezza oltre il grado 8: 26-36HRC Finitura superficiale: da confermare Proprietà meccanica: GB/T3098.2 Coppia prevalente: GB/T3098.9 |
Dimensione |
Nominale Diametro |
Larghezza attraverso Appartamenti, a |
Larghezza attraverso Angoli, b |
Massimo Spessore C |
Min. Esadecimale Altezza D |
Minimo Diametro di Cuscinetto Superficie E |
Minimo Flangia Spessore G |
Max Flangia Superiore Raggio R |
Massimo Flangia Diametro F |
Massimo Esaurire Di Cuscinetto Suradce Insieme a Filo P.D.Fim |
||
| Max | Min. | Max | Min. | |||||||||
| 1/4 | 0,250 | 0.439 | 0.428 | 0,505 | 0.488 | 0.300 | 0.140 | 0.484 | 0,040 | 0,010 | 0,560 | 0,011 |
| 6.35 | 11.14 | 10.87 | 12.83 | 12.40 | 7.62 | 3.56 | 12.29 | 1.02 | 0,25 | 14.22 | 0,28 | |
| 5/16 | 0,313 | 0,502 | 0.489 | 0,577 | 0,557 | 0,365 | 0.170 | 0.602 | 0,050 | 0,010 | 0.680 | 0,013 |
| 7.94 | 12.75 | 12.42 | 14.66 | 14.15 | 9.271 | 4.318 | 15.291 | 1.270 | 0,254 | 17.272 | 0.330 | |
| 3/8 | 0.3750 | 0,5645 | 0,5510 | 0.6500 | 0.6280 | 0.4250 | 0,2000 | 0.7300 | 0,0600 | 0,0200 | 0.8100 | 0,0150 |
| 9.53 | 14.34 | 14.00 | 16.51 | 15,95 | 10.795 | 5.080 | 18.542 | 1.524 | 0,508 | 20.574 | 0,381 | |
| 7/16 | 0.4375 | 0.6895 | 0.6750 | 0.7940 | 0.7680 | 0.4950 | 0.2300 | 0.8460 | 0,0700 | 0,0200 | 0.9300 | 0,0160 |
| 11.11 | 17.51 | 17.15 | 20.17 | 19.51 | 12.573 | 5.842 | 21.488 | 1.778 | 0,508 | 23.622 | 0.406 | |
| 1/2 | 0,5000 | 0.7520 | 0.7360 | 0.8660 | 0.8400 | 0,5550 | 0,2600 | 0.9820 | 0,0800 | 0,0200 | 1.0700 | 0,0180 |
| 12.70 | 19.10 | 18.69 | 22.00 | 21.34 | 14.097 | 6.604 | 24.943 | 2.032 | 0,508 | 27.178 | 0.457 | |
| 9/16 | 0,5625 | 0.8770 | 0.8610 | 1.0100 | 0.9820 | 0.6250 | 0.2900 | 1.1010 | 0,0900 | 0,0300 | 1.1900 | 0,0190 |
| 14.29 | 22.28 | 21.87 | 25.65 | 24.94 | 15.875 | 7.366 | 27.965 | 2.286 | 0.762 | 30.226 | 0.483 | |
| 5/8 | 0.625 | 0.9395 | 0.922 | 1.083 | 1.051 | 0.690 | 0.320 | 1.230 | 0,100 | 0,030 | 1.330 | 0,021 |
| 15.88 | 23.86 | 23.42 | 27.51 | 26.70 | 17.526 | 8.128 | 31.242 | 2.540 | 0.762 | 33.782 | 0,533 | |
| 3/4 | 0.750 | 1.127 | 1.088 | 1.299 | 1.240 | 0.825 | 0,380 | 1.472 | 0.110 | 0,030 | 1.585 | 0,023 |
| 19.05 | 28.63 | 27.64 | 32,99 | 31.50 | 20.955 | 9.652 | 37.389 | 2.794 | 0.762 | 40.259 | 0,584 | |











D: Sei una società commerciale o un produttore?
A: Siamo produttori.
.
D: Quanto dura i tempi di consegna?
A: Generalmente è entro 7 giorni se la merce è disponibile. Oppure è entro 45 giorni se la merce non è disponibile. Dipende dalla quantità.
D: Puoi offrire campioni? È gratis?
A: Sì, possiamo offrire il campione gratuitamente se disponiamo di campioni disponibili e devi pagare solo il costo di spedizione.
D: Quali sono i tuoi clienti principali?
A: Abbiamo lavorato con Fastenal negli Stati Uniti per 5 anni.
Inoltre, stiamo lavorando con Bollhoff e Beco in Germania e Bossard a Swizterland ora.